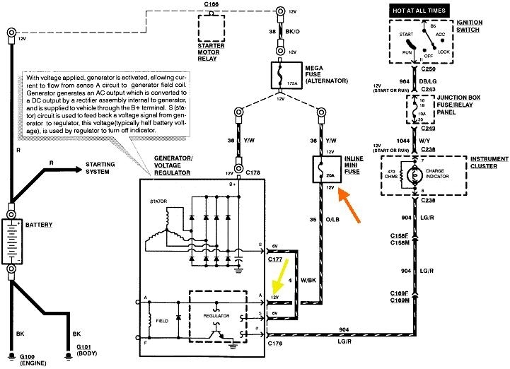
alternator to battery wiring diagram

Speedy Jim's Home Page, Aircooled Electrical Hints. 11 Images about Speedy Jim's Home Page, Aircooled Electrical Hints : Sterling Power Alternator to Battery Charger 12V 80A | CampervanCulture.com, Alternator wiring - diagnosis? - LS1TECH - Camaro and Firebird Forum and also alternator/ battery wiring? - Third Generation F-Body Message Boards.

Speedy Jim's Home Page, Aircooled Electrical Hints

Speedy Jim's Home Page, Aircooled Electrical Hints netlink.net

ignition switch plug wiring steering column 72 vw beetle connector connect schematic ign diagram starter super wire harness 1968 problems

Denso Alternator Installation | Page 3 | For A Bodies Only Mopar Forum

Denso Alternator Installation | Page 3 | For A Bodies Only Mopar Forum www.forabodiesonly.com

mopar denso

Wiring New Rectifier To Indiana 650. 6 Wires Stock, Can I Use 5 Wire

Wiring new rectifier to Indiana 650. 6 wires stock, can I use 5 wire www.ducati.ms

rectifier wiring diagram wire ducati wires indiana use alternator ms lucas

Alternator And Battery Problems: I Was Driving On The Freeway One

Alternator and Battery Problems: I Was Driving on the Freeway One www.2carpros.com

alternator battery problems enlarge

Painless Wiring Kit - A Very "Painless" Rewire

Painless Wiring Kit - A Very "Painless" Rewire www.lowrider.com

wiring painless steering column tilt kit harness ididit electric rewire very electrical

Alternator/ Battery Wiring? - Third Generation F-Body Message Boards

alternator/ battery wiring? - Third Generation F-Body Message Boards www.thirdgen.org

alternator battery wiring

Alternator Wiring - Diagnosis? - LS1TECH - Camaro And Firebird Forum

Alternator wiring - diagnosis? - LS1TECH - Camaro and Firebird Forum ls1tech.com

wiring alternator diagnosis suggestions advance thanks any

CA18DET Alternator Wiring [Forum - Main Forum] : Datsun 1200 Club

CA18DET Alternator Wiring [Forum - Main Forum] : Datsun 1200 Club datsun1200.com

alternator wiring nissan 240sx s13 ca18det diagram 1200 datsun main body source

Lucas 17acr Alternator Wiring Diagram

Lucas 17acr Alternator Wiring Diagram wiringall.com

alternator lucas wiring diagram acr three spades terminals connector a115 dismantled while models output mgb

Alternator Wiring

Alternator wiring www.4x4community.co.za

alternator wiring

Sterling Power Alternator To Battery Charger 12V 80A | CampervanCulture.com

Sterling Power Alternator to Battery Charger 12V 80A | CampervanCulture.com campervanculture.com

campervanculture 80a alternator

Alternator wiring nissan 240sx s13 ca18det diagram 1200 datsun main body source. Alternator wiring. Ca18det alternator wiring [forum